PN8356SEC-R1 5V1A充电器电源应用方案
基于芯朋微PN8356的5V1A充电器电源应用方案
规格
输入电压:90~264Vac
输出功率:5W
输出特性:5V/1.0A
特性概述:
·单面板设计,双面元器件,尺寸:42.5mm*32mm;
·输入电压:90~264Vac;
·输出功率:5W(5V1A);
·待机功耗:<75mW
·拥有可输出短路保护,输出过流保护,VDD 过压保护,FB 分压电阻开路短路保护,以及电流检
测电阻Rcs 开短路保护,过温保护;
·平均效率:≥70.0%(输出线端 1.5m AWG 24);
电源介绍
该报告提供了一种基于PN8356 设计输出5V/1A 的开关电源。
该报告包含了原理图,电源输入输出规格,BOM 表和变压器参数以及安规和EMI 测试数据等资料。
以下为该电源的实物图片:

电源规格明细

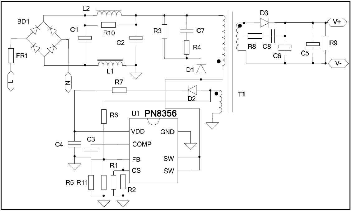
电源原理图

4. 电路描述
该电路图中R5,R11,R6为反馈分压电阻,通过辅助绕组检测次级的电压,使输出电压维持在5V。
C3为环路补偿电容,空载时电压接近0V,最大负载时电压接近2.5V;
D1,R4,以及R3,C7 组成RCD 箝位电路,用于吸收功率Mos(集成于PN8356 内部)漏源端尖锋
电压。
PN8356 内置高压启动功能,可以在200mS 以内完全启动;
当PN8356 本体温度太高时,其内置的OTP 保护功能会及时动作,关闭IC,以保护整个系统,温度下
降之后再自动重启;
电路具有输出短路保护,输出过流保护,开环保护, VDD 过压保护等功能,以提高整个系统的可靠性;
当反馈脚FB 的分压电阻开路或短路时,系统都会进入保护状态;
当CS 脚短路(或Rcs 短路)时系统会发生保护并进入Latch 状态,以确保系统不会被损坏;
C1,L2,C2 组成π 性滤波,以改善EMI 性能;
优势产品未尽详细,欢迎来电查询!!!
Leven Cai 蔡明柱
MOB : 13751188660
深圳市奥伟斯科技有限公司
OWEIS ELECTRONICS Co., LIMITED.
址址:深圳市福田区深南中路3006号佳和华强大厦A座7楼701-703室
ADD:Rm701-703, Block A, Jiahe huaqiang Bldg., Shennan zhong Rd., Futian District, Shenzhen, Guangdong, China 518000
TEL : +86-755-82544779
FAX : +86-755-23805907
E-Mail : leven@oweis-tech.com
www.oweis-tech.com
www.oweis-tech.cn
专业代理销售电容式触摸芯片 电源管理芯片 单片机 MOS管 IKSEMI一级代理
Copyright © 2013 深圳市奥伟斯科技有限公司版权所有 All Right Reserved ICP备:粤ICP备12049165号