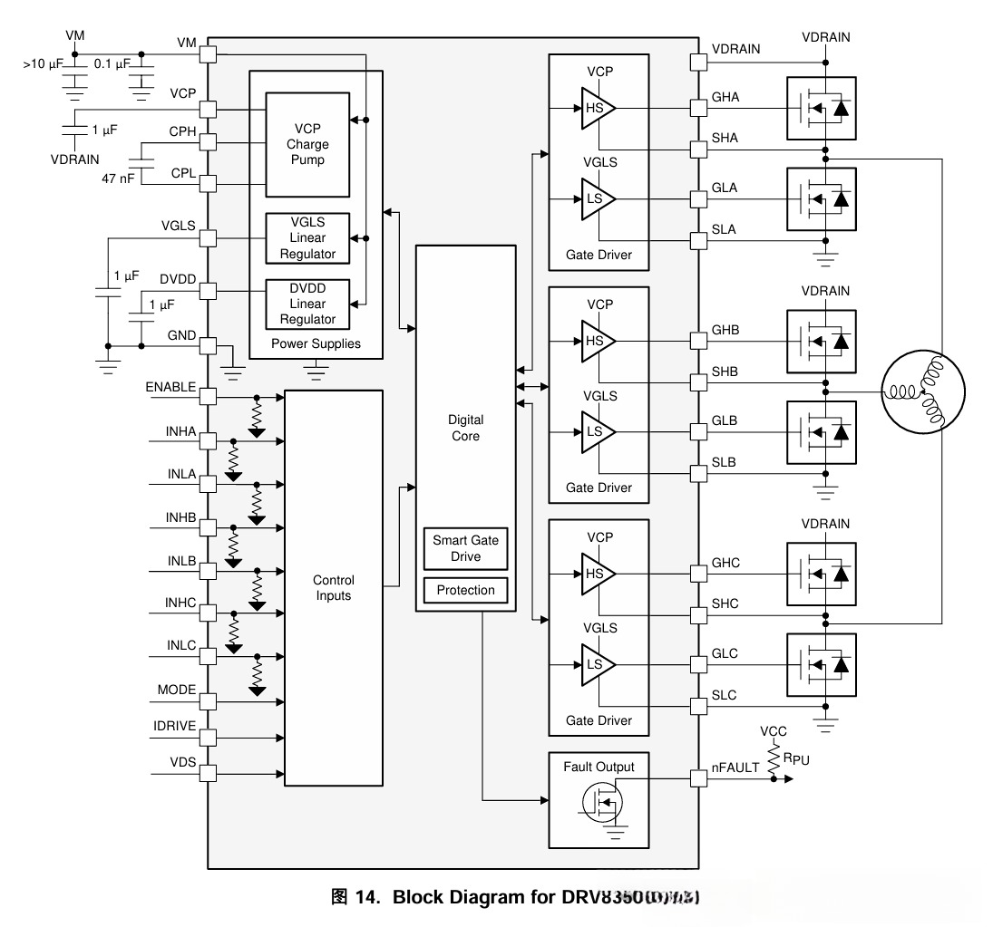
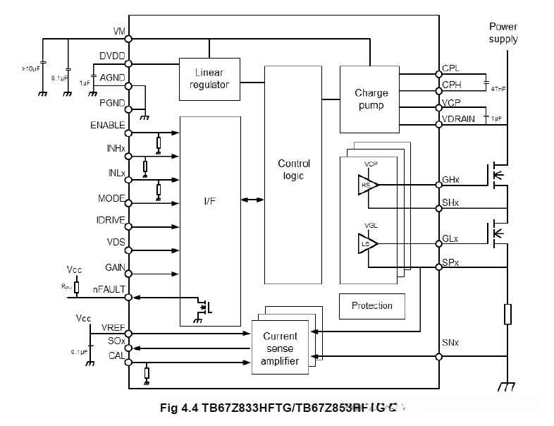
48V机器人关节专用控制器-奥伟斯科技







深圳市奥伟斯科技有限公司是一家通过ISO9001/45001/14001认证的触摸控制方案和IC芯片、集成电路专业代理商;
奥伟斯科技自2008年成立以来一直致力于新半导体产品在国内的推广与销售是一家具有综合竞争优势的专业电子元器件代理商。
主要代理:IKSEMICON,ADSEMICON电容式触摸芯片、 KODENSHI AUK光电开关、GIANTEC聚辰EEPROM、 ICMAN晶尊微水位检测芯片、FUJITSU/RAMXEED铁电存储器、禾润/中科微马达驱动芯片、FOLLON富隆贴片电解电容器、FOSAN富和合金电阻、GAINSIL聚洵运算放大器、RUNIC润石运算放大器、中低压MOS管、二三极管、显示驱动芯片、通信接口芯片RS485/RS232、CAN通信芯片、电源管理IC等;渠道分销:Osram、ADI、TI、ON、NXP、STM、Infineon、Microchip等进口品牌。
奥伟斯科技自成立以来一直致力于世界著名电子产品在国内的推广与销售,2021年销售额超过35000万人民币,公司备有大量现货库存,并在亚洲、欧美有着良好的供货渠道,还有稳定的OEM客户关系,确保了我们的产品和价格在市场上的优势地位。作为一家快速发展的公司,公司在不断全面规范销售运作流程,充分展示奥伟斯在半导体代理行业的竞争能力,目前已经在香港成立采购中心和进出口中心
我们的服务主要:BOM的整体降价,BOM的整体打包采购,为新的研发项目选型降价,以及相关其它的增值服务。同时我们有很强的技术支持能力,这可以帮你们选择性价比最高,并且交期短交货快的器件,还可以协助你们的硬件开发。同时我们还授权代理了一些中国本土可靠并且性价比高的品牌,通过替换原有的器件,也可以让你们的成本降低。我们会从你们的初期选择型号,到测试样品,小批量生产,到最后的大批量生产提供全程服务
奥伟斯科技优势行业集中在家电控器和汽车电子领域,包括:家用电器控制器、工业控制、通信仪器、电脑和外设设备、新能源汽车、汽车空调/仪表/音响等控制器。销售网络覆盖华东、华南及华北地区。随着2013年技术中心的成立,技术团队的不断壮大,公司自主研发出一系列优秀的触摸芯片及电源管理芯片,现以大批量应用到家电控制器方案,受到广大客户的一致赞誉
深圳总部:
深圳市奥伟斯科技有限公司
工程销售:蔡先生13751188660企业
QQ:2853528254
电话: +86-0755-82544779
传真: +86-0755-23805907
邮箱:LEVEN@OWEIS-TECH.COM
业务跟单:欧阳小姐
电话:+86-0755-82807291
企业QQ:2853528256
邮箱:DANNY@OWEIS-TECH.COM
业务跟单:欧阳先生
电话:13724219990
企业QQ:2853528250
邮箱:AARON@OWEIS-TECH.COM
地址:广东省深圳市福田区深南中路3006号佳和华强大厦A座7楼
Copyright © 2013 深圳市奥伟斯科技有限公司版权所有 All Right Reserved ICP备:粤ICP备12049165号